
佛山市91抖阴视频在线观看传感仪器有限公司
联系人:张总
电话:0757-22300095
手机:18902563858
邮箱:931199351@qq.com
传真:0757-22300097
地址:广东省佛山市顺德区勒流富安工业区光电产业园4栋303号
网址:www.ncgttw.com
本产品为专为高温度环境工业应用而设计的高温型温湿度变送器,采用自主研发的电阻式湿度测量元件,具有测量准确、适应温度范围广、抗化学污染能力强、工作稳定、使用寿命长等特点。温度、湿度两路4-20mA电流信号输出,可以适配RS485接口。
本产品在-40—260℃较宽的温度范围内保证高精度,高稳定性、优越的可重复性进行温湿度测量,在烘干、涂布工艺、冷冻产业等领域得到了广泛的应用。
适用于工业现场测量、石油化工气体排放检测、热电气体排放检测、烟草工业、烘干箱、环境试验箱、烟气检测、火力发电、垃圾焚烧、化工等行业,。
1、外形美观、安装方便;
2、测量准确、输出稳定;
3、湿度全量程温度补偿;
4、宽范围工作电压;
5、单片机智能处理、高抗干扰设计
温度量程:-40 ~260℃之间量程可定制
湿度量程:0~100%RH
供 电:24(12~36)VDC
温度精度:±0.5℃(0-50℃)
湿度精度:±2%RH ±3%RH ±5%RH
信号输出:4-20mA 、0-5V 、RS485等
环境温度:-20 ~85℃
环境湿度:10~95%RH
负载能力:电流输出型≤ 500Ω、电压输出型≥1KΩ
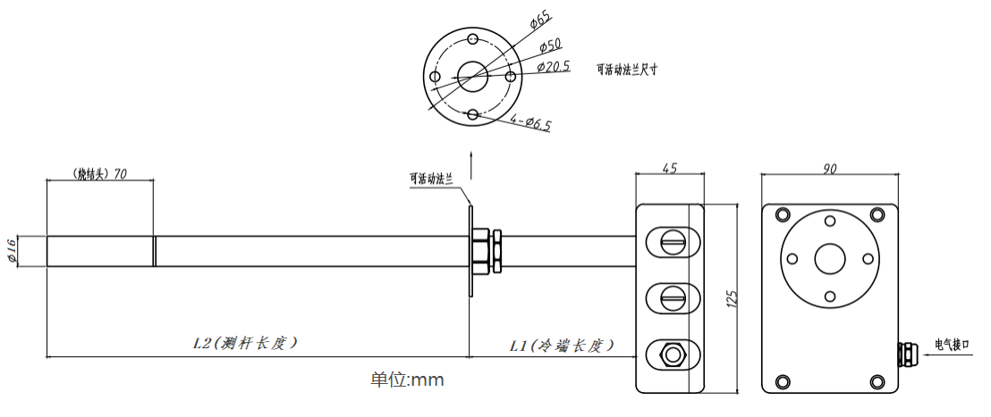
安装方式:管道式(螺纹或法兰固定)
插 深:200mm(标准),特殊要求可定制
外 壳:ABS塑料
