
佛山市91抖阴视频在线观看传感仪器有限公司
联系人:张总
电话:0757-22300095
手机:18902563858
邮箱:931199351@qq.com
传真:0757-22300097
地址:广东省佛山市顺德区勒流富安工业区光电产业园4栋303号
网址:www.ncgttw.com
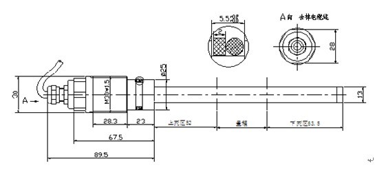
GUC系列GUC1200(A)、GUC1200(B)、GUC1200/2440(C)矿用本安型位移传感器
GUC系列矿用本安型磁致伸缩位移传感器(以下简称传感器)是磁致伸缩原理的非接触式绝对位置测量的位移传感器,适用于有甲烷气体混合物和煤尘爆炸危险的煤矿井下,满足各种位移测量、控制的要求。传感器采用非接触测量方式,不会因摩擦造成传感器使用寿命降低;性能稳定可靠,受电源电压变化的影响小;工作环境温度宽,在-10℃到60℃范围内均能正常工作。传感器优良的性能,良好的环境适应性、可靠性、稳定性,让用户更加放心使用。
液压支架、掘进机
◆矿用本质安全型产品符合GB3836-2010 MT1109-2011和Q/XKYC 14-2012 要求规定,取得煤安证书,防爆标志为ExibI
◆非接触式测量,性能稳定可靠,使用寿命长;
◆内置于液压缸内,线性测量,绝对值输出;
◆产品材质、电气性能等完全符合煤矿安全要求,安全性高;
矿用本安型位移传感器适用于液压支架、掘进机、掘锚机等煤矿设备,用户可根据实际安装结构选用。
GUC1200(A)
本安参数:Ui:12.5V Ii:15mA Ci:0uF Li:0mH
工作
GUC1200(B)
本安参数:Ui:12.5V Ii:15mA Ci:0uF Li:0mH
工作电压:+12V DC±10%
工作电流:≤10mA DC
输出信号:DC (0.5~4.5V);负载电阻应: 2KΩ~∞
非线性误差:<±0.2%F.S.
重复性误差:<±0.01%F.S.
分辨率:少于1mm或10位D/A转换(以大者为主)
量程:0~1200mm(用户可定制);
GUC1200/2440(C)
本安参数:Ui:12.5V Ii:20mA Ci:0uF Li:0mH
工作电压:+12V DC±10%
工作电流:≤20mA DC
输出信号:DC (0~5V);负载电阻应: 2KΩ~∞
非线性误差:<±0.2%F.S.
重复性误差:<±0.01%F.S.
分辨率:少于0.34mm或16位D/A转换(以大者为主)
量程:0~1200mm,0~2440mm(用户可定制);
GUC1200(A)、GUC1200(B)、GUC1200/2440(C)(下单时注明量程就可以。)
GUC1200(A)
GUC1200(B)
GUC1200/2440(C)
