
佛山市91抖阴视频在线观看传感仪器有限公司
联系人:张总
电话:0757-22300095
手机:18902563858
邮箱:931199351@qq.com
传真:0757-22300097
地址:广东省佛山市顺德区勒流富安工业区光电产业园4栋303号
网址:www.ncgttw.com
HDM-F系列磁致伸缩91抖阴视频免费版视频传感器(简称磁尺)采用磁致伸缩原理制造的高精度、长量程线性、绝对位置测量的91抖阴视频免费版视频传感器,可以精确测量容罐液面的位置。供电方式灵活,接线方法多种且极为方便,可满足各种测量、控制、检测的要求;采用非接触测量方式,解决了因磨擦、磨损等造成的使用寿命低的问题。该传感器性能高,寿命长,有良好的环境适应性、可靠性和稳定性,安装简单,为用户使用带来极大的方便。
本系列磁尺可测量高压高温介质的91抖阴视频免费版视频,高温可达300℃。
基站柴油发电机油箱91抖阴视频免费版视频检测
加油站储罐油位检测
化工原料91抖阴视频免费版视频检测
高精度容罐的液体91抖阴视频免费版视频控制
磁尺在满液式冷水机组上的应用
◆稳定性能好,精度够高,该专用产品的精度达0.1%F.S.,完全满足客户1~2mm的精度要求;
◆能配合客户系统设备即时地反映油箱内91抖阴视频免费版视频变化的情况,解决客户最关心的需求点;
◆能即时地根据客户对死区的要求作出控制方案,赢得客户对公司跟踪服务的认同;
◆安装方便,油箱生产时只需根据法兰指定尺寸开孔,磁尺配带法兰盖固定在油箱孔即可;
◆磁尺产品配带可调节装置,对规格不一的油箱可进行上下微调,规范产品量程。
HDM-F系列磁致伸缩91抖阴视频免费版视频传感器采用磁致伸缩原理,非接触式结构,具有使用寿命长,精度高、重复性好等测量优点,在国外移动基站油箱91抖阴视频免费版视频检测项目广泛应用。
测量对象: 模拟量:1~2 个位置
ModBus:1~3 个位置,1~5 个温度点
供电电源: +24VDC±10% ;±15VDC±10%
输出方式: 0~5VDC、0~10VDC、-5~+5VDC、-10~+10VDC、4~20mADC、ModBus等
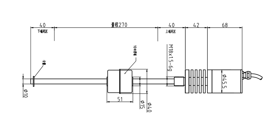
有效量程范围: 刚性结构:50~5000mm; 柔性结构:4000~20000mm(可根据客户特殊要求订做)
负载特性: 电流信号输出最大负载电阻为 600Ω;电压信号输出最大负载电流为 2mA
工作电流: <70mA
工作温度: -40~+85 ~+300℃
储存温度: -40~+100 ℃
非线性误差: <±0.05% F.S.(300mm 以下最大误差 150um)
重复性误差: <±0.002% F.S.
分辨率: 采用 16bitD/A 转换 、4μm
迟滞: <±0.002% F.S.
温度影响: <±0.007%F.S./℃
零点可调范围: 100%F.S.
满度可调范围: 100%F.S.
测杆材质: 0Cr18Ni9(304)、316不锈钢(特殊定制)
电子仓外壳材质: 0Cr18Ni9(304)
连接形式: 螺纹连接、法兰连接
出线方式: 直出电缆线、航空插头、接线端子
外壳防护等级: 电子仓IP65、测杆IP68
防爆标志: ExdⅡBT5、ExiaⅡCT



