1. 91抖阴网站在线观看,91抖阴视频在线观看,91抖阴视频污下载,91抖阴视频免费版视频

      欢迎访问佛山市91抖阴视频在线观看传感仪器有限公司官网!

      解决方案

      产品分类

      联系91抖阴网站在线观看

      佛山市91抖阴视频在线观看传感仪器有限公司

      联系人:张总

      电话:0757-22300095

      手机:18902563858

      邮箱:931199351@qq.com

      传真:0757-22300097

      地址:广东省佛山市顺德区勒流富安工业区光电产业园4栋303号

      网址:www.ncgttw.com


      HDN-2150双量程静态扭矩传感器

      您的当前位置: 首 页 >> 产品中心 >> 扭矩传感器

      HDN-2150双量程静态扭矩传感器

      • 所属分类:扭矩传感器

      • 点击次数:
      • 发布日期:2024/09/23
      • 在线询价
      • 详细介绍

      【产品应用】:

             HDN-2150双量程静态扭矩传感器适用于电动机、内燃机等旋转设备以及铁路机车等机械的扭矩和功率的检测。


      【产品特点】:

      · 电阻应变式原理,精度高,性能稳定可靠,大量程扭矩测量,安装使用方便

      · 双量程静态扭矩测量

      · 一端为键法兰连接,一端为法兰盘连接


      【主要技术参数】:

      量程

      0-20,100,1000,3000,4000Nm等

      输出电阻

      700±5Ω

      灵敏度

      1.5±10% mV / V

      绝缘电阻

      5000MΩ/ 100VDC

      零点输出

      ±2% F.S.

      激励电压

      10-15VDC

      非线性

      ±0.1,0.3% F.S.

      温度补偿范围

      -10 ~ 60℃

      滞后

      ±0.05% F.S.

      工作温度范围

      -20 ~ 65℃

      重复性

      ±0.05% F.S

      安全超载

      150% F.S.

      蠕变

      ±0.03% F.S/30min

      极限超载

      200% F.S.

      温度灵敏度漂移

      0.03% F.S. / 10℃

      电缆线尺寸

      Ø5.2×3m

      零点温度漂移

      0.03% F.S. / 10℃

      电气连接

      红/E+,黑/E-,绿/S+,白/S-

      输入电阻

      750±10Ω

      材质

      不锈钢或合金钢

      输出电阻

      700±5Ω

      其它要求

      可定制


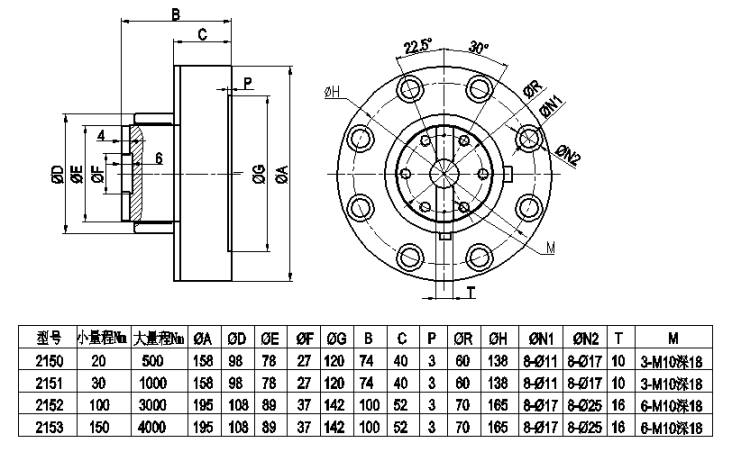
      【产品尺寸(单位mm)】:

      双量程静态扭矩传感器尺寸



      本文网址:http://www.ncgttw.com/product/775.html

      关键词:双量程静态扭矩传感器,静态扭矩传感器,扭矩传感器

      最近浏览:

      欢迎给91抖阴网站在线观看留言
      请在此输入留言内容,91抖阴网站在线观看会尽快与您联系。
      姓名
      联系人
      电话
      座机/手机号码
      邮箱
      邮箱
      地址
      地址
      网站地图