1. 91抖阴网站在线观看,91抖阴视频在线观看,91抖阴视频污下载,91抖阴视频免费版视频

      欢迎访问佛山市91抖阴视频在线观看传感仪器有限公司官网!

      解决方案

      产品分类

      联系91抖阴网站在线观看

      佛山市91抖阴视频在线观看传感仪器有限公司

      联系人:张总

      电话:0757-22300095

      手机:18902563858

      邮箱:931199351@qq.com

      传真:0757-22300097

      地址:广东省佛山市顺德区勒流富安工业区光电产业园4栋303号

      网址:www.ncgttw.com


      HDN-17系列静态扭矩传感器

      您的当前位置: 首 页 >> 产品中心 >> 扭矩传感器

      HDN-17系列静态扭矩传感器

      • 所属分类:扭矩传感器

      • 点击次数:
      • 发布日期:2024/09/28
      • 在线询价
      • 详细介绍

      【产品应用】:

             HDN-17静态扭矩传感器</strong></font></a>" textvalue="静态<a href='http://www.ncgttw.com/product/njcgq463/' target='_blank' class='key_tag'><font color=#2086ee><strong>扭矩传感器</strong></font></a>" style="margin: 0px; padding: 0px; border: 0px; text-decoration-line: none; outline: none; color: rgb(102, 102, 102);">静态扭矩传感器主要应用于各种加工设备、机床、风机、水泵、齿轮箱、扭力板手的扭矩及功率的检测。


      【产品特点】:

      · 电阻应变为敏感元件,精度高,性能稳定可靠

      · 静态扭矩测量,两端均为键连接,安装使用方便

      · 扭矩传感器采用德国技术和生产设备及先进的检测设备


      【主要技术参数】:

      image.png


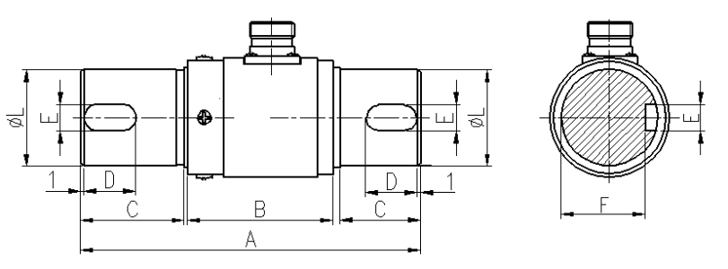
      【产品尺寸(单位mm)】:

      静态扭矩传感器尺寸图

      扭矩传感器尺寸


      本文网址:http://www.ncgttw.com/product/786.html

      关键词:静态扭矩传感器,扭矩传感器,静态扭力传感器

      最近浏览:

      欢迎给91抖阴网站在线观看留言
      请在此输入留言内容,91抖阴网站在线观看会尽快与您联系。
      姓名
      联系人
      电话
      座机/手机号码
      邮箱
      邮箱
      地址
      地址
      网站地图