1. 91抖阴网站在线观看,91抖阴视频在线观看,91抖阴视频污下载,91抖阴视频免费版视频

      欢迎访问佛山市91抖阴视频在线观看传感仪器有限公司官网!

      解决方案

      产品分类

      联系91抖阴网站在线观看

      佛山市91抖阴视频在线观看传感仪器有限公司

      联系人:张总

      电话:0757-22300095

      手机:18902563858

      邮箱:931199351@qq.com

      传真:0757-22300097

      地址:广东省佛山市顺德区勒流富安工业区光电产业园4栋303号

      网址:www.ncgttw.com


      3051单晶硅智能差压变送器

      您的当前位置: 首 页 >> 产品中心 >> 91抖阴视频污下载传感器

      3051单晶硅智能差压变送器

      • 所属分类:91抖阴视频污下载传感器

      • 点击次数:
      • 发布日期:2025/08/12
      • 在线询价
      • 详细介绍

          HD3051单晶硅智能差压变送器组件采用德国先进的MEMS技术制成的单晶硅传感器芯片、全球独创的单晶硅双梁悬浮式设计,实现了国际领先的高准确度、超高过压性能优异的稳定性。内嵌智能信号处理模块,实现静压与温度补偿的完美结合,可在大范围内的静压和温度变化下提供极高的测量精度和长期稳定性。

          HD3051能准确的测量差压,并把它转换成4~20mADC的输出信号。该传感器可通过三按键本地操作,或通用手操器、组态软件、以及手机 APP 远程操作,在不影响4~20mADC的输出信号的同时,进行显示与组态。


      【应用领域】

      ■ 石油/石化/化工
      与节流装置配套,提供精确的流量测量和控制。精确测量管道和贮罐的91抖阴视频污下载和91抖阴视频免费版视频。
      ■ 电力/城市煤气/其它公司事业
      要求高稳定和高精度的91抖阴视频污下载、流量、91抖阴视频免费版视频测量等场所。
      ■ 纸浆和造纸
      用于要求耐化学液体、耐腐蚀性液体的91抖阴视频污下载、流量、91抖阴视频免费版视频测量场所。
      ■ 钢铁/ 色金属/陶瓷
      用于炉膛91抖阴视频污下载、负压测量等要求高稳定性,高精度测量场所。
      ■ 机械装备/造船
      用于在严格控制91抖阴视频污下载、流量、91抖阴视频免费版视频等指标条件下,要求稳定测量的场所。


      【产品特点】

      ■  高准确度
      差压传感器在0.1~40kPa~4MPa的测量范围内,可进行高准确度测量。标准校验量程精度:±0.075%FS

      ■  微小量程下优异的过压性能

      1kPa标准量程单边过压达1MPa;6kPa标准量程单边过压达2MPa
      ■  优异的环境适应性
      智能静压补偿和温度补偿,保护变送器不受温度、静压与过压的影响,将现场的综合测量误差控制到最小。
      ■  灵活的量程压缩
      量程比:4:1(10:1可选)
      ■  优异的操作性和使用便利性
      ▪ 备有5位带背光LCD数字显示器
      ▪ 多种显示功能 (Pa、kPa、MPa、bar、mbar、%、psi、mmH2O)
      ▪ 内置三按键快捷操作就地调整功能
      ▪ 通过手机 APP 进行远程调试
      ▪ 备有各种抗腐蚀材料
      ▪ 全面自诊断功能


      【主要技术参数】

      量程:0.1~40kPa~4MPa间可选

      精度等级:±0.075%FS、±0.10%FS、±0.20%FS

      工作电压:(12.5~48)V DC
      输出信号:4~20mA(可带HART协议数字通讯)、RS485
      工作温度:-20℃~60℃
      迁移震动影响:任意轴上,200HZ/g为0.01%FS, 年稳定性优于0.2%<
      温度影响:-20℃~60℃±0.1%/10k


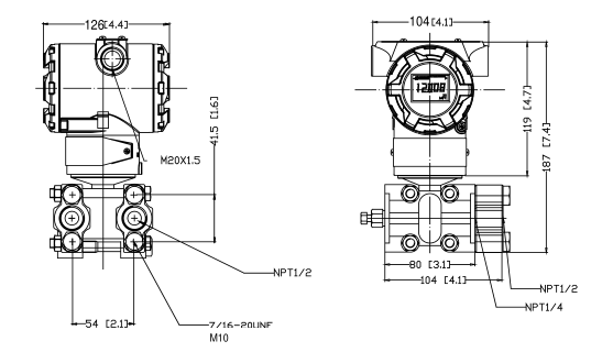
      【产品尺寸】

      image.png

      【安装示意图】

      image.png

                         安装使用直角支架安装图                                                使用平板支架安装图


      本文网址:http://www.ncgttw.com/product/795.html

      关键词:3051智能差压变送器,3051单晶硅智能差压变送器,3051差压变送器

      上一篇:没有了
      下一篇:3351单晶硅智能91抖阴视频污下载变送器

      最近浏览:

      相关产品:

      相关新闻:

      欢迎给91抖阴网站在线观看留言
      请在此输入留言内容,91抖阴网站在线观看会尽快与您联系。
      姓名
      联系人
      电话
      座机/手机号码
      邮箱
      邮箱
      地址
      地址
      网站地图