
佛山市91抖阴视频在线观看传感仪器有限公司
联系人:张总
电话:0757-22300095
手机:18902563858
邮箱:931199351@qq.com
传真:0757-22300097
地址:广东省佛山市顺德区勒流富安工业区光电产业园4栋303号
网址:www.ncgttw.com
HDM-R系列磁致伸缩位移传感器(简称“磁尺”)是应用磁致伸缩原理研制而成,达到计量级精度的新一代精确测量“位移”的传感器。磁尺输出是真正的绝对位置,不需要定期重新标定的维护,测量过程中更无须重归回零位。磁尺因其特有的优点,已在国内工控领域得到越来越广泛的应用。该系列产品为客户提供电流、电压、SSI、ModBus、Profibus、Star/Stop等多种信号输出,在不同的应用场合可以为客户提供有效的解决方案,以及丰富的产品应用经验。
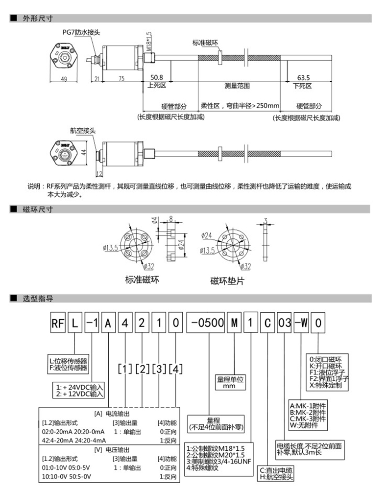
HDM-R系列RF磁尺主要是为替代进口磁致伸缩位移传感器研发的新一代非接触式位移传感器,其性能可媲美同等进口产品。
■ 柔性测杆,大量程更换仅需极小空间
■ 绝对位置输出,无须归零
■ 非接触式测量 ,永不磨损
■ 分辨率,模拟量输出16位D/A
■ 易于诊断,LED灯实时状态显示
■ 低功耗设计,有效减小系统温漂
